Proyecto Uzebox

Proyectos realizados por los Retronianos, también links a proyectos externos y sitios relacionados con Modding y DIY... A crear si ha dicho...
Avatar de Usuario
renix
Mensajes: 4675
Registrado: Vie Ene 25, 2013 1:39 am

Proyecto Uzebox

Mensaje por renix » Mar Jun 17, 2014 6:04 pm

Hace tiempo había visto este proyecto, pero no me habia dado cuenta de su estado de avance actual... esta genial.. podriamos hacer un juego de retronia...

Imagen
694px-Uzebox-ex1.jpg
http://belogic.com/uzebox/

http://www.ladyada.net/make/fuzebox/index.html

su emulador

http://uzebox.org/wiki/index.php?title=Emulator

y tutorial de como hacer un juego

http://uzebox.org/wiki/index.php?title= ... s_And_Such

DESCRIPTION

The Uzebox is a fully open-source, DIY 8-bit game console. It is designed specifically for people who know a little bit of programming to expand into designing and creating their own video games and demos. A full-featured core runs in the background and does all the video and audio processing so that your code stays clean and easy to understand.

This electronic kit comes unassembled: it includes the PCB, pre-programmed chip, and all components including a pre-soldered video chip. All but one of the components are through-hole, so you can build it yourself without difficulty. However, it is a 1-2 hr project and its best to have used your soldering iron before this project.

Video Demo
Spoiler: MOSTRAR
Each order comes with a full Uzebox kit including all components, an SNES controller, RCA A/V cable and SD card full of awesome games you can start playing immediately. A 9V power supply is also required, you can use one you have at home or pick one up from our shop. You may also want to get an extra SNES controller or an NTSC display. The photos above show a kit with power supply and display attached for demonstration. A video display and 9V adapter are NOT included! To program in new games directly without using the SD card loader, you'll probably want an AVR programmer such as a USBtiny
Full 256 simultaneous output colors, 240x224 pixel resolution
Tile & sprite support
Two player ports for use with Super Nintendo controllers
NTSC RCA composite and S-video out (PAL not supported at this time)
4 channel output mono audio for music and effects
SD/MMC card support for loading in games over a card
Built on an Atmel AVR core, 64KB flash and 4KB of RAM
Write game code in C, using fully open source tools on any platform
Spoiler: MOSTRAR
Imagen
Imagen

Avatar de Usuario
renix
Mensajes: 4675
Registrado: Vie Ene 25, 2013 1:39 am

Re: Proyecto Uzebox

Mensaje por renix » Mar Jun 17, 2014 6:19 pm

aca venden el pcb por si alguien quiere armarlo...

http://imall.iteadstudio.com/im121017004.html

Imagen

Y la lista de partes y0con el tutorial de armado

http://belogic.com/uzebox/guide.htm

Avatar de Usuario
renix
Mensajes: 4675
Registrado: Vie Ene 25, 2013 1:39 am

Re: Proyecto Uzebox

Mensaje por renix » Mar Jun 17, 2014 6:34 pm

Totalmente CNCeable :)

Archivos fuentes en eagle

ftp://imall.iteadstudio.com/BareOpenPCB ... _ITEAD.zip
uzebox.png
Peeeero... me voy a hechar mas fresas en $$$ que lo que sale comprarlo..

podriamos comprar los pcb entre varios...

Avatar de Usuario
renix
Mensajes: 4675
Registrado: Vie Ene 25, 2013 1:39 am

Re: Proyecto Uzebox

Mensaje por renix » Mié Jun 18, 2014 12:34 pm

Con Franco Catrín encargamos 5 pcb :) ojalá lleguen pronto :D

Avatar de Usuario
renix
Mensajes: 4675
Registrado: Vie Ene 25, 2013 1:39 am

Re: Proyecto Uzebox

Mensaje por renix » Mié Jun 18, 2014 7:04 pm

Imagen

esta demo me mató

Avatar de Usuario
renix
Mensajes: 4675
Registrado: Vie Ene 25, 2013 1:39 am

Re: Proyecto Uzebox

Mensaje por renix » Mié Jun 18, 2014 9:57 pm

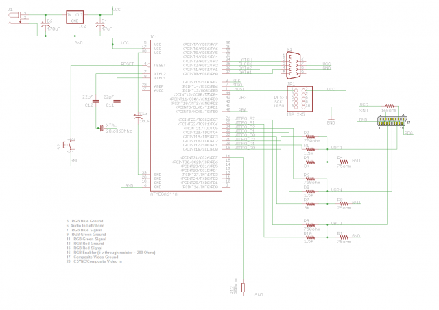
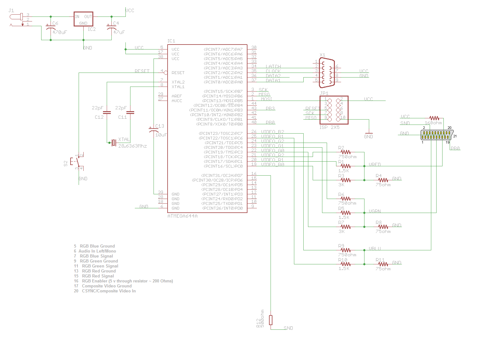
y aca una version simplificada sin encoder NTSC/PAL para quien quiera hacerse uno artesanalmente...
Uzebox-SCART-v5-feb-10.png
http://belogic.com/uzebox/schematics/Uz ... feb-10.png

con salida RGB de 15 khz que tando adoramos...

y aca un esquematico con mas detalles de la conexion de la memoria SD, para la memoria SD se requiere agregar un regulador de voltaje de 3.3V...

voy a armar uno en protoboard...
ATMEGA644-pinout.jpg
ATMEGA644-pinout.jpg (39.84 KiB) Visto 14359 veces
EUzebox schematic V01-05-01.pdf
(69.64 KiB) Descargado 471 veces

Avatar de Usuario
CaReCoiN
Mensajes: 2495
Registrado: Lun Jul 08, 2013 11:14 pm
Ubicación: Conchalí, Santiago
Contactar:

Re: Proyecto Uzebox

Mensaje por CaReCoiN » Mié Jun 18, 2014 10:30 pm

renix escribió:podriamos hacer un juego de retronia...
Retronia: Finding The Maleta :lol:

Avatar de Usuario
renix
Mensajes: 4675
Registrado: Vie Ene 25, 2013 1:39 am

Re: Proyecto Uzebox

Mensaje por renix » Mié Jun 18, 2014 10:42 pm

CaReCoiN escribió:
renix escribió:podriamos hacer un juego de retronia...
Retronia: Finding The Maleta :lol:
Genial idea... la maleta mitica es roja... es la que mas viajes se ha pegado... a estudiar se ha dicho...

Avatar de Usuario
renix
Mensajes: 4675
Registrado: Vie Ene 25, 2013 1:39 am

Re: Proyecto Uzebox

Mensaje por renix » Jue Jun 19, 2014 2:50 am

y este proyecto merece una mención aparte tambien...

http://uzebox.org/forums/viewtopic.php?f=10&t=1784

Avatar de Usuario
renix
Mensajes: 4675
Registrado: Vie Ene 25, 2013 1:39 am

Re: Proyecto Uzebox

Mensaje por renix » Vie Jun 20, 2014 7:51 pm

De muy buena voluntad el amigo de Consolas Clásicas me vendio conectores de SNES a luca para que podamos hacernos nuestras uzebox sin charquear consolas... lo invite a unirse y le dije que aca no correteamos vendedores, ¿ cierto harlock :mrgreen: ?

Gracias Consolas Clásicas
Imagen

Avatar de Usuario
CaReCoiN
Mensajes: 2495
Registrado: Lun Jul 08, 2013 11:14 pm
Ubicación: Conchalí, Santiago
Contactar:

Re: Proyecto Uzebox

Mensaje por CaReCoiN » Vie Jun 20, 2014 8:57 pm

renix escribió:De muy buena voluntad el amigo de Consolas Clásicas me vendio conectores de SNES a luca para que podamos hacernos nuestras uzebox sin charquear consolas... lo invite a unirse y le dije que aca no correteamos vendedores, ¿ cierto harlock :mrgreen: ?

Gracias Consolas Clásicas
Imagen
Sinceramente pienso que, muy al contrario de lo que podría pensarse, nos haría excelente tener otro dealer regalón ;)

Nes_milio
Mensajes: 1850
Registrado: Mar Ene 22, 2013 8:37 am

Re: Proyecto Uzebox

Mensaje por Nes_milio » Vie Jun 20, 2014 9:56 pm

CaReCoiN escribió: Sinceramente pienso que, muy al contrario de lo que podría pensarse, nos haría excelente tener otro dealer regalón ;)
Tranquilo, aquì hay màs apertura con los dealers.
Siempre que todos salgamos beneficiados, todo bien ;)

Avatar de Usuario
renix
Mensajes: 4675
Registrado: Vie Ene 25, 2013 1:39 am

Re: Proyecto Uzebox

Mensaje por renix » Vie Jun 20, 2014 11:57 pm

Me dijo que se complican en los foros y por eso no vende en comunidades como esta... pero le conté que preferimos que nos venda a nosotros que afuera, aparte tiene precios siempre razonables... es una cosa de sentido común...

Clásico
Mensajes: 40
Registrado: Mié Feb 20, 2013 11:21 pm

Re: Proyecto Uzebox

Mensaje por Clásico » Dom Jun 22, 2014 1:00 am

Buena muchachos, gracias por la mención Renix. Estoy a punto de terminar la carrera así que no se me ha dado el tiempo de presentarme como corresponde y participar. Pero los sigo con mucho interés hace tiempo.

Espero dar luego mi examen de grado y volver a las comunidades retro. Así que nos vemos pronto.

Avatar de Usuario
renix
Mensajes: 4675
Registrado: Vie Ene 25, 2013 1:39 am

Re: Proyecto Uzebox

Mensaje por renix » Lun Jun 23, 2014 1:54 am

Este video me mató----


Avatar de Usuario
fcatrin
Mensajes: 655
Registrado: Jue Ene 24, 2013 2:19 pm
Ubicación: Quilpué
Contactar:

Re: Proyecto Uzebox

Mensaje por fcatrin » Lun Jun 23, 2014 9:17 am

Buenísimo.... y creo que es el mejor Lode Runner que he visto

Avatar de Usuario
renix
Mensajes: 4675
Registrado: Vie Ene 25, 2013 1:39 am

Re: Proyecto Uzebox

Mensaje por renix » Lun Jun 23, 2014 9:42 pm

fcatrin escribió:Buenísimo.... y creo que es el mejor Lode Runner que he visto
asi que no puedes salir de la casa ? :)

Avatar de Usuario
fcatrin
Mensajes: 655
Registrado: Jue Ene 24, 2013 2:19 pm
Ubicación: Quilpué
Contactar:

Re: Proyecto Uzebox

Mensaje por fcatrin » Mar Jun 24, 2014 10:38 am

renix escribió:
fcatrin escribió:Buenísimo.... y creo que es el mejor Lode Runner que he visto
asi que no puedes salir de la casa ? :)
jajaja con tanto frio y las orejas calientes, ya tengo la explicación ;-)

Avatar de Usuario
renix
Mensajes: 4675
Registrado: Vie Ene 25, 2013 1:39 am

Re: Proyecto Uzebox

Mensaje por renix » Mar Jun 24, 2014 5:28 pm

XD

Avatar de Usuario
renix
Mensajes: 4675
Registrado: Vie Ene 25, 2013 1:39 am

Re: Proyecto Uzebox

Mensaje por renix » Vie Jun 27, 2014 12:50 pm

Ya por terminar mi versión scart en protoboard... Me falta el cristal de 28.636363 mhz y Cablear la sincronía compuesta...
Adjuntos
image.jpg
image.jpg

Responder